

SLBIS
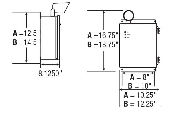
NEMA12 STEEL BATTERY UNIT
The SLBIS series of NEMA12 and EEMAC12 battery units is designed toperform in demanding industrial locations. The fully gasketed, all steel housing is kept dust tight with sturdy screw lock latches. Featuring optional Bluetooth Mesh technology, the SLBIS series seamlessly connects with the Genio control system and mobile app. Genio is easy to use and hassle-free.
- Wattage capacities from 36 W to 360 W
- Lamp capacities from 4 W to 30 W
- Optional Bluetooth technology
- Certification CSA to C22.2 #141-15


Lamp Type / Light Source
LED
Material
Steel
Ratings
NEMA12
Product Type
Battery Units,
Genio